電子拉力試驗機TST-01B適用于塑料薄膜、復合材料、軟質包裝材料、塑料軟管、膠粘劑、膠粘帶、不干膠、醫用貼劑、保護膜、組合蓋、金屬箔、隔膜、背板材料、無紡布、橡膠、紙張纖維等產品的拉伸、剝離、變形、撕裂、熱封、粘合、穿刺力、開啟力、低速解卷力、撥開力等性能測試。

電子拉力試驗機
電子拉力試驗機測試項目檢測方法
(1)拉伸強度與斷裂伸長率的試驗方法
質量標準: GB13022-91《塑料薄膜拉伸性能試驗方法》
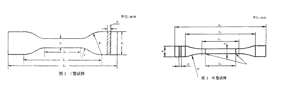
試樣類型:I 、II、III型為啞鈴型,IV型為長條型試樣。IV型試樣為主流形式。

啞鈴型 長條型 試樣
試樣制備:寬度15mm,取樣長度不小于150mm,確保標距100mm。對材料變形率較大試樣,標距不得少于50mm。
試驗速度:500±30mm/min
注意事項:試樣置于試驗機兩夾具中,使試樣縱軸與上下夾具中心連線重合,夾具松緊適宜。
(2)熱封強度測定試驗方法
質量標準: QB/T2358-98塑料薄膜包裝熱合強度試驗方法。
試樣制備:

試驗步驟:以熱合部位為中心,打開呈180度,把試樣的兩端夾在試驗機的兩個夾具上,試樣軸線應與上下夾具中心線相重合,并要求松緊適宜。夾具間距離為100mm,以一定速度拉開 ,讀取試樣斷裂時的最大載荷。若試樣斷在夾具內,則此試樣作廢。
(3)180°剝離強度測定試驗方法
質量標準:參照GB8808軟質復合塑料材料剝離試驗方法。
試樣制備:寬度為15mm(不得偏差超過0.1mm),長度200mm;沿長度方向預先剝50mm,初剝開部分不得有明顯損傷。
若試樣不易剝開測可以將試樣一端約20mm浸入溶劑(一般常用醋酸乙酯、丙酮)中處理,將試樣預剝開,并待溶劑揮發完全后再進行剝離強度的測試。
試驗過程:

試驗結果處理:采取其中相近的取值方式,算出平均剝離強度。試驗單位為N/15MM。
注意:復合層不能剝離或復合層斷裂時,其剝離強度判為合格,但需確保拉伸強度合格。
(4)撕裂測試
直角撕裂強度測試:QB/T1130-1991《塑料直角撕裂性能試驗方法》

褲型撕裂強度測試:GB/T16578《塑料薄膜和薄片耐撕裂性能試驗方法--褲形撕裂法》

(5)90°剝離測試
測試標準:GB/T 7122 高強度膠粘劑剝離強度的測定浮輥法
試驗速度:100mm/min±5mm/min
注:不計最初剝開的 25 mm的長度,至少要剝開115 mm的長度。
聯系人:眾測機電
手機:18660817670
電話:18660817670
郵箱:1844233077@qq.com
地址: 山東省濟南市高新區銀豐國際生物城A3-2
網站:m.yxhbsl.com
QQ:
3325919032